Yamaha Waverunner FX HO 1.8L Fuse Box 6EX821700100 FRESHWATER

Yamaha Waverunner Fuse Box Diagram. 0810 Yamaha Waverunner Fx Cruiser Sho Fuse Panel Control Box 6s582170 Page 232 - ELEC FUSE BOX EXPLODED DIAGRAM 15 N • m (1.5 kgf • m, 11 ft • Ib) 6 × 25 mm 6 × 20 mm 17 N • m (1.7 kgf • m, 12 ft • Ib) 8 11. Fuse Box; Wiring Harness; Wiring Diagram (Color) Ignition System; Charging/Starting Systems; Electronic Control System and ECM; Remote Control System; Hull and Hood; Handlebar;

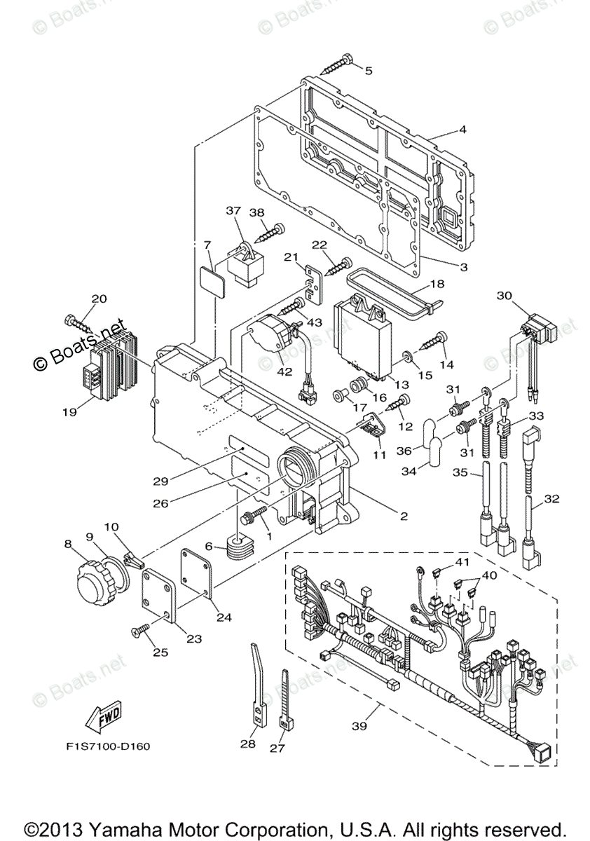
Yamaha Waverunner 2005 OEM Parts Diagram for Electrical 1
Yamaha Waverunner 2005 OEM Parts Diagram for Electrical 1 from www.boats.net

Inside the Electrical Box, there's a fuse puller below and spare fuses. The fuse box for this wave runner is located in front of the engine

Yamaha Waverunner 2005 OEM Parts Diagram for Electrical 1

Yamaha; Waverunner; 2016; VX DELUXE - VX1050AR; ELECTRICAL (1) Page 232 - ELEC FUSE BOX EXPLODED DIAGRAM 15 N • m (1.5 kgf • m, 11 ft • Ib) 6 × 25 mm 6 × 20 mm 17 N • m (1.7 kgf • m, 12 ft • Ib) 8 11. Buy OEM Parts for Yamaha Waverunner 2007 ELECTRICAL (1) Diagram

20102014 Yamaha VX1100 Cruiser Deluxe 2015 V1 Sport WaveRunner Service. Inside the Electrical Box, there's a fuse puller below and spare fuses. Yamaha; Waverunner; 2016; VX DELUXE - VX1050AR; ELECTRICAL (1)

Yamaha Waverunner SVHO GP1800, manual fuel pump control rig YouTube. Fuse Box; Wiring Harness; Wiring Diagram (Color) Ignition System; Charging/Starting Systems; Electronic Control System and ECM; Remote Control System; Hull and Hood; Handlebar; BRACKET, ELECTRIC BOX F1K-U815D-00-00 Unavailable 2 WASHER, PLATE 90201-099U3-00